उत्पादों
एपीआई जाँच वाल्व
  • एपीआई जाँच वाल्वएपीआई जाँच वाल्व

एपीआई जाँच वाल्व

जिंकिउ वाल्व उच्च गुणवत्ता वाले एपीआई चेक वाल्व एएसएमई, एपीआई और जीबी मानकों को पूरा करते हैं। उन्नत सीएनसी मशीनिंग केंद्रों और धातु काटने वाले उपकरणों से सुसज्जित, कंपनी अपने एपीआई चेक वाल्व भागों की सटीकता और गुणवत्ता सुनिश्चित करने के लिए आईएसओ 9001 मानकों का पालन करते हुए उत्पाद डिजाइन और विनिर्माण में सीएडी/सीएएम तकनीक का उपयोग करती है।

जिंकिउ वाल्व, चीन में एक पेशेवर चेक वाल्व निर्माता, हमारे एपीआई चेक वाल्व पूरी तरह से अमेरिकी मानकों के अनुसार डिजाइन और निर्मित किए गए हैं। इन वाल्वों में सौंदर्य की दृष्टि से मनभावन संरचना और उन्नत तकनीक है। एपीआई चेक वाल्व बैकफ़्लो को रोकने के लिए माध्यम के प्रवाह के आधार पर स्वचालित रूप से वाल्व डिस्क को खोलते और बंद करते हैं। इन्हें वन-वे वाल्व, चेक वाल्व या बैकफ़्लो वाल्व के रूप में भी जाना जाता है। उनका मुख्य कार्य माध्यम के बैकफ्लो को रोकना, पंप और ड्राइव मोटर को उलटने से रोकना और कंटेनर के अंदर माध्यम के रिसाव को रोकना है।


1. कम प्रवाह प्रतिरोध: जब एपीआई चेक वाल्व पूरी तरह से खुला होता है, तो प्रवाह पथ लगभग अबाधित होता है, जिसके परिणामस्वरूप कम दबाव में गिरावट होती है।
2. त्वरित समापन और बैकफ्लो रोकथाम: वाल्व डिस्क की लीवर क्रिया बैकफ्लो की शुरुआत में भी तेजी से प्रतिक्रिया और बंद करने की अनुमति देती है।
3. व्यापक प्रयोज्यता: DN50 से DN1200 और ऊपर तक पाइप व्यास की एक विस्तृत श्रृंखला के लिए उपयुक्त।

प्रदर्शन पैरामीटर

क्रम संख्या परियोजना का नाम पैरामीटर
1 नाममात्र दबावपीएन (एमपीए) £ 150 300LB 600LB 900LB 1500 पौंड 2500LB
2.0 5.0 10.0 15.0 25.0 42.0
2 शैल शक्ति परीक्षण दबाव कमरे के तापमान पर नाममात्र दबाव 1.5 गुना
3 उच्च दबाव सील परीक्षण दबाव कमरे के तापमान पर नाममात्र दबाव 1.1 गुना
4 कमरे के तापमान पर काम का दबाव ASME B16.34 दबाव और तापमान रेटिंग दबाएँ

उत्पाद विशिष्टताएँ

डिज़ाइन मानक संरचना की लंबाई निकला हुआ किनारा कनेक्शन का आकार परीक्षण एवं निरीक्षण दबाव और तापमान संदर्भ
एपीआई6डी/एएसएमई बी16.34 एएसएमई बी16.10 एएसएमई बी16.5 एपीआई598/एपीआई6डी एएसएमई बी16.34

मुख्य भाग सामग्री

नाम का हिस्सा सामग्री का नाम
शरीर ए216 डब्ल्यूसीबी A217 WC6 ए351 सीएफ8 ए351 सीएफ8एम ए351 सीएफ3 ए351 सीएफ3एम
टोपी ए216 डब्ल्यूसीबी A217 WC6 ए351 सीएफ8 ए351 सीएफ8एम ए351 सीएफ3 ए351 सीएफ3एम
वाल्व प्लेट ए216 डब्ल्यूसीबी A217 WC6 ए351 सीएफ8 ए351 सीएफ8एम ए351 सीएफ3 ए351 सीएफ3एम
सीलिंग सतह 13 करोड़/एसटीएल एसटीएल बॉडी/एसटीएल बॉडी/एसटीएल बॉडी/एसटीएल बॉडी/एसटीएल
वाल्व शाफ़्ट ए182 एफ6ए ए182 एफ11 ए182 एफ304 ए182 एफ316 ए182 एफ304एल ए182 एफ316एल
पाल बांधने की रस्सी लचीला ग्रेफाइट लचीला ग्रेफाइट लचीला ग्रेफाइट लचीला ग्रेफाइट लचीला ग्रेफाइट लचीला ग्रेफाइट
पेंच ए193 बी7 ए193 बी16 ए193 बी8 ए193 बी8एम ए193 बी8 ए193 बी8एम
कड़े छिलके वाला फल ए194 2एच ए1944 ए1948 ए194 8एम ए1948 ए194 8एम
परिचालन तापमान -29~425℃ -29~540℃ -46~425℃ -46~425℃ -46~425℃ -46~425℃
उपयुक्त मीडिया भाप भाप कमजोर संक्षारक कमजोर संक्षारक कमजोर संक्षारक कमजोर संक्षारक

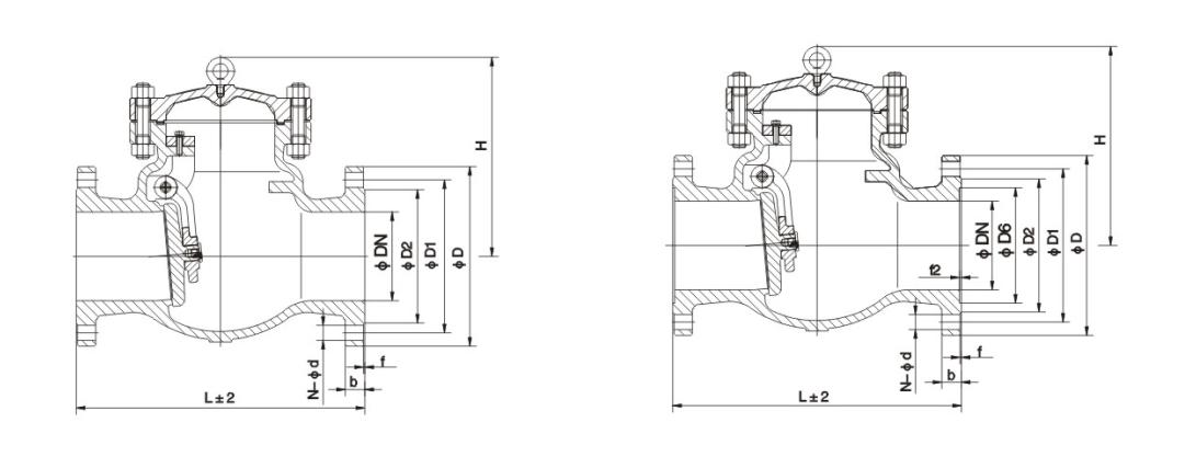
मुख्य आकार और कनेक्शन आयाम

नॉमिनल डायामीटर आकार
m में L D डी1 डी2 b f n-Φd H
H44H-150Lb
50 2 203 152 120.5 92 16 1.6 4-19 180
80 3 241 192 152.5 127 19 1.6 4-19 190
100 4 297 229 190.5 157 24 1.6 8-19 203
125 5 330 254 216 186 24 1.6 8-22 229
150 6 356 279 241.5 216 26 1.6 8-22 257
200 8 495 342 298.5 270 29 1.6 8-22 292
250 10 622 406 362 324 31 1.6 12-25 355
300 12 698 483 432 381 32 1.6 12-25 396
H44H-300Lb
50 2 267 165 127 92 23 1.6 8-19 178
80 3 318 210 168.5 127 29 1.6 8-22 216
100 4 356 254 200 157 32 1.6 8-22 241
125 5 400 279 235 186 35 1.6 8-22 267
150 6 444 318 270 216 37 1.6 12-22 305
200 8 533 381 330 270 42 1.6 12-25 368
250 10 622 445 387 324 48 1.6 16-29 394
300 12 711 521 451 381 51 1.6 16-32 445
H44H-600Lb
50 2 295 165 127 92 33 6.4 8-19 203
80 3 359 210 168 127 36 6.4 8-22 235
100 4 435 273 216 157 45 6.4 8-25 286
125 5 511 330 266.5 186 52 6.4 8-29 292
150 6 562 356 292 216 55 6.4 12-29 330
200 8 664 419 349 270 63 6.4 12-32 381
250 10 791 510 432 324 71 6.4 16-35 457
300 12 842 559 489 381 74 6.4 20-35 584

संरचना चित्र

हॉट टैग: एपीआई चेक वाल्व, चीन, अनुकूलित, गुणवत्ता, टिकाऊ, उन्नत, निर्माता, आपूर्तिकर्ता, फैक्टरी, स्टॉक में
जांच भेजें
संपर्क सूचना
  • पता

    नंबर 1, नॉर्थ 1 रोड, स्टेनलेस स्टील न्यू टाउन, लेकोंग स्टील वर्ल्ड वेस्ट रोड, शुंडे जिला, फोशान सिटी, गुआंग्डोंग प्रांत, चीन

  • टेलीफोन

    +86-757-28788895

  • ईमेल

    jinqiufamen@gmail.com

गेट वाल्व, ग्लोब वाल्व और चेक वाल्व या मूल्य सूची के बारे में पूछताछ के लिए, कृपया अपना ईमेल हमें छोड़ दें और हम 24 घंटों के भीतर संपर्क करेंगे।

X
हम आपको बेहतर ब्राउज़िंग अनुभव प्रदान करने, साइट ट्रैफ़िक का विश्लेषण करने और सामग्री को वैयक्तिकृत करने के लिए कुकीज़ का उपयोग करते हैं। इस साइट का उपयोग करके, आप कुकीज़ के हमारे उपयोग से सहमत हैं। गोपनीयता नीति
अस्वीकार करना स्वीकार करना