उत्पादों
जीबी मानक ग्लोब वाल्व
  • जीबी मानक ग्लोब वाल्वजीबी मानक ग्लोब वाल्व

जीबी मानक ग्लोब वाल्व

उच्च गुणवत्ता और अनुकूलित J41H, J41Y और J41W प्रकार के GB मानक ग्लोब वाल्व चीन में एक पेशेवर वाल्व निर्माता JQF वाल्व द्वारा निर्मित किए जाते हैं। उनके खुलने और बंद होने वाले हिस्से बेलनाकार वाल्व डिस्क हैं, और सीलिंग सतह या तो सपाट या शंक्वाकार है। वाल्व डिस्क द्रव केंद्र रेखा के साथ रैखिक रूप से चलती है। जीबी मानक ग्लोब वाल्व केवल पूरी तरह से खुले या पूरी तरह से बंद अनुप्रयोगों के लिए उपयुक्त हैं और आमतौर पर प्रवाह विनियमन के लिए उपयोग नहीं किए जाते हैं, लेकिन प्रवाह विनियमन और थ्रॉटलिंग ग्राहकों की आवश्यकताओं के अनुसार किया जा सकता है।
Foshan Jinqiu Valve Co., Ltd. is a manufacturing factory integrating valve R&D, manufacturing, sales, and service. Our durable GB standard globe valves are specifically designed for oxygen pipelines, ensuring safe, stable, and efficient operation. Made from high-quality materials and undergoing rigorous degreasing and cleaning processes, these valves effectively prevent combustion risks and guarantee reliable sealing performance.

स्टॉक में जीबी मानक ग्लोब वाल्व पीएन1.6-पीएन16 की दबाव सीमा और डीएन15-डीएन400 के आकार के लिए उपयुक्त है, इनका उपयोग हमेशा धातु विज्ञान, रसायन, चिकित्सा गैस और ऊर्जा उद्योगों में किया जाता है।

संरचनात्मक विशेषताएं

हम अपने उच्च गुणवत्ता वाले जीबी मानक ग्लोब वाल्व और उत्कृष्ट ग्राहक सेवा के साथ समय के साथ तालमेल रखते हुए लगातार नवाचार करते हैं और उत्कृष्टता का प्रयास करते हैं! हम उच्च गुणवत्ता वाले घरेलू और अंतर्राष्ट्रीय वाल्व ब्रांड बनाने का प्रयास करते हुए सक्रिय रूप से उन्नत उपकरण, उद्यम प्रबंधन और तकनीकी सेवा कर्मियों को पेश करते हैं। हम नए और पुराने ग्राहकों का हमारी सुविधाओं पर आने और निरीक्षण करने, पारस्परिक लाभ के लिए सहयोग करने और संयुक्त रूप से बेहतर भविष्य बनाने के लिए स्वागत करते हैं!

कार्यकारी मानक

डिज़ाइन विशिष्टताएँ: जीबी/टी 12235
संरचना की लंबाई: जीबी/टी 12221
निकला हुआ किनारा कनेक्शन: जेबी / टी 79
परीक्षण और निरीक्षण: जेबी/टी 9002
उत्पाद पहचान: जीबी/टी 12220
डिलिवरी विनिर्देश: जेबी/टी 7928

विशेषताएँ

1. सुव्यवस्थित और अनुकूलित संरचना: एक सरलीकृत डिज़ाइन घटक निर्माण और उपकरण रखरखाव दक्षता में 30% तक सुधार करता है। 2. तात्कालिक उद्घाटन और समापन नियंत्रण: माइक्रो-स्ट्रोक संरचना डिजाइन प्रति चक्र 0.8 सेकंड की उद्घाटन और समापन प्रतिक्रिया गति प्राप्त करता है। 3. लंबे समय तक चलने वाली सीलिंग प्रणाली: स्व-चिकनाई सीलिंग सतह तकनीक घर्षण के अति-निम्न गुणांक को प्राप्त करती है; मिश्रित सीलिंग परत का एंटी-एजिंग जीवनकाल 50,000 से अधिक खुलने और बंद होने के चक्रों से अधिक होता है।

प्रदर्शन पैरामीटर

नमूना J41H-16C~160C J41Y-16C~160C J41W-16P~160P
काम का दबाव (एमपीए) 1.6~16.0
उचित तापमान (℃) ≤425 ≤150
उपयुक्त मीडिया पानी, भाप, तेल कमजोर संक्षारक माध्यम
सामग्री बॉडी, बोनट कार्बन स्टील क्रोम निकल-टाइटेनियम स्टेनलेस स्टील
वाल्व स्टेम क्रोम स्टेनलेस स्टील क्रोम निकल-टाइटेनियम स्टेनलेस स्टील
सीलिंग सतह लौह-आधारित मिश्रधातुओं की सतह बनाना कठोर मिश्रधातु शरीर की सामग्री
पूरक एस्बेस्टस ग्रेफाइट, लचीला ग्रेफाइट, पीटीएफई

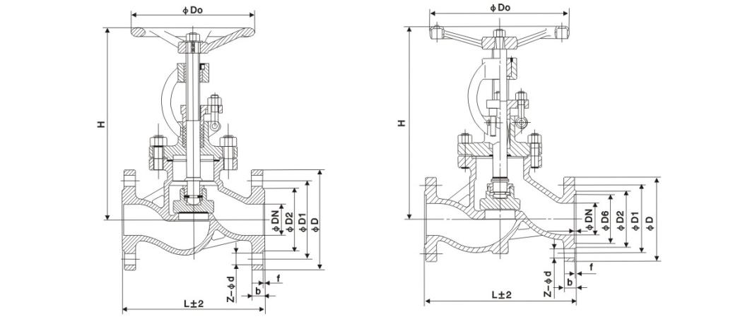
मुख्य आकार और कनेक्शन आकार

नॉमिनल डायामीटर मुख्य आयाम और कनेक्शन आयाम
L D डी1 डी2 b जेड-डी H डी0
J41H-16C
15 130 95 65 45 14-2 4-Φ14 170 120
20 150 105 75 55 14-2 4-Φ14 190 140
25 160 115 85 65 14-2 4-Φ14 205 160
32 180 135 100 78 16-2 4-Φ18 270 180
40 200 145 110 85 16-3 4-Φ18 310 200
50 230 160 125 100 16-3 4-Φ18 358 240
65 290 180 145 120 18-3 4-Φ18 373 240
80 310 195 160 135 20-3 8-Φ18 435 280
100 350 215 180 155 20-3 8-Φ18 500 300
125 400 245 210 185 22-3 8-Φ18 614 320
150 480 280 240 210 24-3 8-Φ23 674 360
200 600 335 295 265 26-3 12-Φ23 811 400
250 650 405 355 320 30-3 12-Φ25 969 450
300 750 460 410 375 30-3 12-Φ25 1145 580
350 850 520 470 435 34-4 16-Φ25 1280 640
400 980 580 525 485 36-4 16-Φ30 1452 640
J41H-25C
15 130 95 65 45 16-2 4-Φ14 170 120
20 150 105 75 55 16-2 4-Φ14 190 140
25 160 115 85 65 16-2 4-Φ14 205 160
32 180 135 100 78 18-2 4-Φ18 270 180
40 200 145 110 85 18-3 4-Φ18 310 200
50 230 160 125 100 20-3 4-Φ18 358 240
65 290 180 145 120 22-3 8-Φ18 373 240
80 310 195 160 135 22-3 8-Φ18 435 280
100 350 230 190 160 24-3 8-Φ23 500 300
125 400 270 220 188 28-3 8-Φ25 614 320
150 480 300 250 218 30-3 8-Φ25 674 360
200 600 360 310 278 34-3 12-Φ25 811 400
250 650 425 370 332 36-3 12-Φ30 969 450
300 750 485 430 390 40-4 16-Φ30 1145 580
350 850 550 490 448 44-4 16-Φ34 1280 640
400 980 610 550 505 48-4 16-Φ34 1452 640

संरचना चित्र

हॉट टैग: जीबी स्टैंडर्ड ग्लोब वाल्व, चीन, अनुकूलित, गुणवत्ता, टिकाऊ, उन्नत, निर्माता, आपूर्तिकर्ता, फैक्टरी, स्टॉक में
जांच भेजें
संपर्क सूचना
  • पता

    नंबर 1, नॉर्थ 1 रोड, स्टेनलेस स्टील न्यू टाउन, लेकोंग स्टील वर्ल्ड वेस्ट रोड, शुंडे जिला, फोशान सिटी, गुआंग्डोंग प्रांत, चीन

  • टेलीफोन

    +86-757-28788895

  • ईमेल

    jinqiufamen@gmail.com

गेट वाल्व, ग्लोब वाल्व और चेक वाल्व या मूल्य सूची के बारे में पूछताछ के लिए, कृपया अपना ईमेल हमें छोड़ दें और हम 24 घंटों के भीतर संपर्क करेंगे।

समाचार अनुशंसाएँ
X
हम आपको बेहतर ब्राउज़िंग अनुभव प्रदान करने, साइट ट्रैफ़िक का विश्लेषण करने और सामग्री को वैयक्तिकृत करने के लिए कुकीज़ का उपयोग करते हैं। इस साइट का उपयोग करके, आप कुकीज़ के हमारे उपयोग से सहमत हैं। गोपनीयता नीति
अस्वीकार करना स्वीकार करना